JNR-E100A-3P2E
千兆太网信号滑环
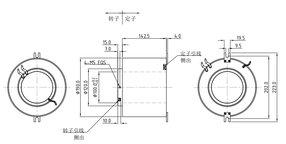
内孔100mm 外径190mm
内孔100mm 外径190mm
为了成功传输数字数据信号,必须满足各种条件。请咨询我们
E系列以太网通孔滑环是一种旋转组件,用于将电力、控制电路或数据(模拟/数字)从固定入口传输到旋转出口。
E系列滑环包括 100Base-T 或 1000Base-T 以太网连接,端接 RJ45 连接器。
接触部分采用稀有金属+镀硬金处理工艺,保证耐磨和抗氧化,从而保证了超长的使用寿命。
M 系列滑环具有适用于轻度灰尘和飞溅环境的密封件。可选的 IP65 防护外壳可提供终极防水、防尘和防损坏保护。
需要流体和电气组合解决方案吗?我们提供完整的流体旋转接头和电动滑环集成包。
产品技术参数
| 产品型号 | 电参数 | 最大运行速度 | 最大数据速度 | 接触材料 |
| JNR-E100A-3P2E | 2组千兆网+3路15A | 250RPM | 1Gbps | 金-金 |
产品技术图纸

| 1000M(8芯) |
![]() |
我们的研发团队实力雄厚,生产能力强,交付周期短,可按需设计生产。
