JNR-LC45-1P800A
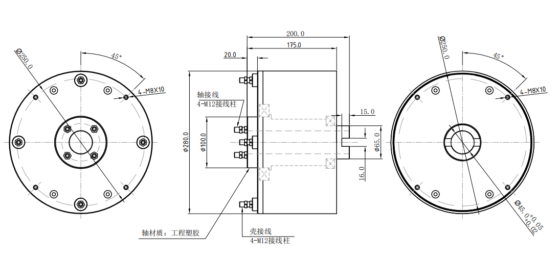
孔径:45mm 外径:280mm
· LC45-1P800A是超大电流专用大功率集电环,转子和定子分别采用接线柱连接,
· 常用于100A以上的场合。可根据客户要求增加传感器信号或者热电偶信号。
· 产品采用德国进口材料,接触电阻低,温升小,可满足军工级别可靠性要求。
· LC45-1P800A是超大电流专用大功率集电环,转子和定子分别采用接线柱连接,
· 常用于100A以上的场合。可根据客户要求增加传感器信号或者热电偶信号。
· 产品采用德国进口材料,接触电阻低,温升小,可满足军工级别可靠性要求。
典型应用:
小型风力发电机、电镀行业设备、加热滚动等需要大功率,大电流的应用设备,另外还有其他工业控制领域也大量用到,如减震器大电流滑环,污水处理设备滑环,高强度石油测井仪器导电滑环,机器人焊接设备滑环,大电流导电滑环,清仓机用粉尘防爆滑环,高温电滑环,加热转轴滑环 yo烘干机,炒料机,加热搅拌机械滑环等等;
产品技术参数:
|
额定转速 |
0~5000RPM |
额定电流 |
1路800A |
|
接触材料 |
贵金属合金 |
额定电压 |
0~50VAC/VDC |
|
壳体材料 |
铝合金(阳极氧化) |
电气噪音 |
<0.1Ω |
|
工作温度 |
-30℃~80℃ |
绝缘强度 |
500VAC@50Hz,60s |
|
工作湿度 |
0~85% RH |
绝缘电阻 |
1000MΩ@500VDC |
|
转动扭矩 |
0.1N.m;+0.03N.m/6路 |
导线规格 |
4-M12铜接线柱 |
|
防护等级 |
IP51 |
导线长度 |
|
产品外形图纸:

如果用于伺服电机功率、编码器信号和设备网,profinet,canbus,profibus……等等,
如果用于IP65或IP68,高温250度,指定连接器、屏蔽电缆……
详情请联系我们的技术团队 :jndnlink@163.com 13823183814(微信同号)
如果您在网站上没有找到您所想要的,请您告诉我们;我们可能已经设计或可以修改设计来满足您的需求。 在许多情况下,目录中的规格可以改变包括孔大小、回路编号、更高的电流/电压、法兰、导线长度、屏蔽、连接器、更高的速度、IP68、军事等级、更高的温度、气动/液压混合能力。 如果您在目录中没有找到您想要的,请您告诉我们,我们目录中只包含了我们滑环的小部分产品!
可选择项:
电压/电流、 额定转速、 操作温度、 电路数、 外壳材料和颜色、 外形尺寸、 专用的导线、 导线出口位置、 导线长度、 IP等级。。。