JNR-BTB50-G1
单通道旋转接头,密封面及密封圈为特殊材料所制成的,抗磨损、寿命长、耐腐蚀、不泄漏。
为了成功传输数字数据信号,必须满足各种条件。请咨询我们
- 360度旋转同时传输气体,液体,电源功率信号等介质
- 支持 1/2/3/4/5/6/8/10/12/16 气体或液体通道.
- 支持1~128路功率电源线或信号线.
- 标准接口有M5,G1/8,G1/4,G3/8,G1/2,G3/4,G1"等
- 可根据客户要求定制液体或气体管子大小
- 可传输压缩空气,真空,液压油,水,热水,冷却液,蒸汽等介质.
- 可根据要求定制高速高压等特殊要求。
- 可定制各类气电滑环,气电一体滑环,液压滑环,液压旋转接头等
产品技术参数:
| 旋转接头通路数 | 接口尺寸 | 传输介质 | 工作压力 | 流量口径 |
| 1通道 | RC3/8" | 热水 | 4Mpa | φ12mm |
典型应用:
工业设备、工业展台、电气测试设备、医疗设备、机器人、测试仪器、转台、自动化设备等;
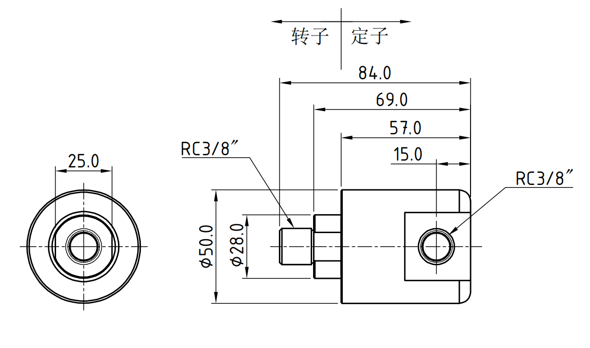
产品外形图:

如果用于伺服电机功率、编码器信号和设备网,profinet,canbus,profibus……等等,
如果用于IP65或IP68,高温250度,指定连接器、屏蔽电缆……
详情请联系我们的技术团队 :jndnlink@163.com 13823183814(微信同号)
如果您在网站上没有找到您所想要的,请您告诉我们;我们可能已经设计或可以修改设计来满足您的需求。 在许多情况下,目录中的规格可以改变包括孔大小、回路编号、更高的电流/电压、法兰、导线长度、屏蔽、连接器、更高的速度、IP68、军事等级、更高的温度、气动/液压混合能力。 如果您在目录中没有找到您想要的,请您告诉我们,我们目录中只包含了我们滑环的小部分产品!
可选择项:
电压/电流、 额定转速、 操作温度、 电路数、 外壳材料和颜色、 外形尺寸、 专用的导线、 导线出口位置、 导线长度、 IP等级。。。