JNR-B120A-26P
孔径:120mm 外径:199mm
适用于<=120mm的标准系列整体式精密导电滑环。
用于传输精密信号、微弱电流、大电流、高电压;360°的连续旋转下,持续传输电力和信号; 应用先进的纤维刷技术,免费维修或润滑; 在每一个电路上有多接触点,低接触压力,低噪音,低接触磨损;极其长的工作寿命; 标准化 & 模块化设计;还提供定制的解决方案;
适用于<=120mm的标准系列整体式精密导电滑环。
用于传输精密信号、微弱电流、大电流、高电压;360°的连续旋转下,持续传输电力和信号; 应用先进的纤维刷技术,免费维修或润滑; 在每一个电路上有多接触点,低接触压力,低噪音,低接触磨损;极其长的工作寿命; 标准化 & 模块化设计;还提供定制的解决方案;
为了成功传输数字数据信号,必须满足各种条件。请咨询我们
- 过孔式导电滑环是中心带孔的一系列导电滑环的统称,主要用于传输精密信号、微弱电流、大电流、高电压;
- 主要给气液管道通过或旋转电机轴而设计
- 采用先进的贵金属簇刷式多点接触,在极低的摩擦力下保证接触可靠。
- 通孔直径从 12.7mm 到 210mm
- 标准化产品,有库存
- 镀金环+合金刷(镀金)
- 支持信号,功率混合传输
- 可基于标准型号定制电路数和电流电压
- 可定制各类空心轴导电滑环,过孔滑环,过孔导电滑环,空心轴滑环等
B 系列滑环具有适用于轻度灰尘和飞溅环境的密封件。可选的 IP65 防护外壳可提供终极防水、防尘和防损坏保护。
需要流体和电气组合解决方案吗?我们提供完整的流体旋转接头和电动滑环集成包。
产品技术参数:
| 产品型号 | 通路数 | 额定电流 | 额定电压 | 最大运行速度 | 最大数据速度 | 接触材料 |
| JNR-B120A-6S | 26路 | 10A | 380V | 300RPM | 低于 50 Mbps | 贵金属 |
典型应用:
主要应用于360度连续旋转且需要保证电源,信号不能中断的场合:多用于绕线机、激光扫描仪、管内摄影机、展览/显示设备、售餐机滑环、ccd视觉检测设备、 智能视觉系统、自动化组装机、旋转LED灯、贴标机、实验设备、生物检测仪器等任意需要360°旋转导电或传输各种控制信号的装置。
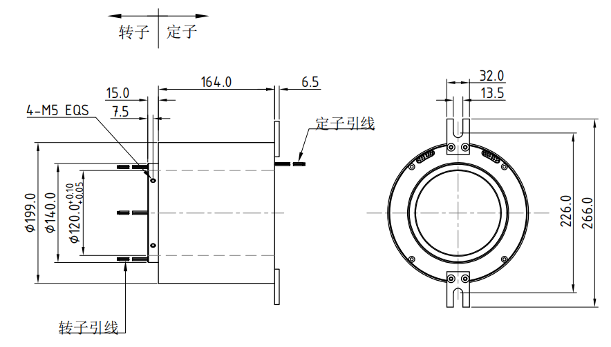
产品外形图:

如果用于伺服电机功率、编码器信号和设备网,profinet,canbus,profibus……等等,
如果用于IP65或IP68,高温250度,指定连接器、屏蔽电缆……
详情请联系我们的技术团队 :jndnlink@163.com 13823183814(微信同号)
颜色代码排序;
6种颜色为一组,用数字代码表示管道。
| 通路数 | 1 | 2 | 3 | 4 | 5 | 6 |
| 导线颜色 | 黑色 | 红色 | 黄色 | 绿色 | 蓝色 | 白色 |
| 通路数 | 7 | 8 | 9 | 10 | 11 | 12 |
| 导线颜色 | 黑色 | 红色 | 黄色 | 绿色 | 蓝色 | 白色 |
如果您在网站上没有找到您所想要的,请您告诉我们;我们可能已经设计或可以修改设计来满足您的需求。 在许多情况下,目录中的规格可以改变包括孔大小、回路编号、更高的电流/电压、法兰、导线长度、屏蔽、连接器、更高的速度、IP68、军事等级、更高的温度、气动/液压混合能力。 如果您在目录中没有找到您想要的,请您告诉我们,我们目录中只包含了我们滑环的小部分产品!
可选择项:
电压/电流、 额定转速、 操作温度、 电路数、 外壳材料和颜色、 外形尺寸、 专用的导线、 导线出口位置、 导线长度、 IP等级。。。